DN15-50mm, threads end
Multi-jet
Single-jet
Rotary Piston
Bypass
DN50-500, Flanged end
Accessories
 
Multi-jet
 
DS04TRP/L-15~50 (with pulser)
 

DS04TRP-E is a multi-jet meter for cold water which can be used and read with any type of water even if it is extremely hard, scaling or contains suspended particles. Because the number wheels are isolated in a transparent sealed capsule filled with a special liquid, and equipped with a pressure compensating device and an anti-fogging system for the glass. The wheels sealed in this way means that this part never can contact with the water flowing through the meter and will assure the clear and reliable reading of the meter in all conditions.
 
SPECIALITY:
* Internal filter of adequate filtering section.
* Internal mechanisms are made from wear-resistant, waterproof, antimagnetic and anti-scaling material.
* Mechanical transmission not effected by external magnetic fields or ferrous particles in the water.
* All the characteristics mentioned above make the model meter, which combines the advantages of both the traditional wet dial meters as well as those of dry dial types without the well-known disadvantages of both.
* With the pulse device,and the measured water volume of per pulse is 100l/pulse.  
 
WORKING CONDITION:
* The max. admissible pressure: 1.6MPa(16bar)
* Water temp. : not more than 30℃

Maximum permissible error:
Between qt (included) and qs is ±2%;
Between qmin and qt (excluded) is ±5%.
NOTE: The technical data conform to ISO4064 standard, class B.

FLOW-ERROR CURVE

SPECIFICATION AND OVERALL DIMENSIONS
Description
Unit

Hydraulic data and dimensions

Nominal size
mm

15

20

25

32

40

50

inch

1/2

3/4

1

11/4

11/2

2

Overload flow-rate (qs)
m3/h

3

5

7

12

20

30

Permanent flow-rate (qp)
m3/h

1.5

2.5

3.5

6

10

15

Transitional flow-rate (qt)
l/h

120

200

280

480

800

3000

Minimum flow-rate (qmin)
l/h

30

50

70

120

200

450

Min. reading
l

0.05

0.05

0.05

0.05

0.05

0.05

Max. reading
m3

99999

99999

99999

99999

999999

999999

Nominal pressure
MPa

1.6

1.6

1.6

1.6

1.6

1.6

ΔP at the qs
MPa

0.08

0.09

0.08

0.09

0.085

0.085

L
mm

165

190

260

260

300

300

I
mm

245

292

380

384

438

438

H
mm

110

110

115

115

170

170

B
mm

91

91

91

91

130

130

G
inch

G3/4B

G1B

G11/4B

G11/2B

G2B

G21/2B

R
inch

R1/2

R3/4

R1

R11/4

R11/2

R2

Weight
Without connections
kg

1.06

1. 17

1.67

1.99

3.77

4.72

With connections

1.23

1.44

2.10

2.71

4.47

6.12


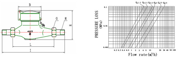
OVERALL DIMENSIONS                                                               PRESSURE LOSS CURVE

 

  All rights reserved: Lianyungang Lianli Water Meter Co.,Ltd. Tel: 0086-518-82341113 Fax: 0086-518-82340789
Add: Lianyungang economic and technological development zone, jiangsu, china
P.C: 222047 E-mail : lianli@yetaodigits.com Support: Sooba.cn 
好色先生官方版-好色先生污视频-好色先生黄版本-好色先生tv版下载