
DS78TBR-E/S is an inferential, multi-stream, wet dial, straight reading type meter for cold water, and it’s Suitable for domestic use. Body and Internal mechanisms are made from wear-resistant, waterproof, antimagnetic and antiscaling plastic material. No leak, mechanical transmission not effected by external magnetic fields or ferrous particles in water.
SPECIALITY:
* Internal filter of adequate filtering section.
* Large measuring range and high flow accuracy
* Low start-up flow, high sensitivity, long life of service time.
WORKING CONDITION:
* The max. admissible pressure: 1.6MPa(16bar)
* Resisting water temperature of 50℃
Maximum permissible error:
Between qt (included) and qs is ±2%;
Between qmin and qt (excluded) is ±5%.
NOTE: The technical data conform to ISO4064 standard, class B.
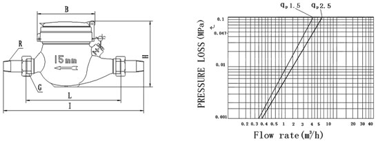
FLOW-ERROR CURVE 
SPECIFICATION AND OVERAL DIMENSIONS
|
Description |
Unit |
Hydraulic data and dimensions |
|
Nominal size |
mm |
15 |
20 |
|
inch |
1/2 |
3/4 |
|
Overload flow-rate (qs) |
m3/h |
3 |
5 |
|
Permanent flow-rate (qp) |
m3/h |
1.5 |
2.5 |
|
Transitional flow-rate (qt) |
l/h |
120 |
200 |
|
Minimum flow-rate (qmin) |
l/h |
30 |
50 |
|
Min. reading |
l |
0.05 |
0.05 |
|
Max. reading |
m3 |
99999.9999 |
99999.9999 |
|
Nominal pressure |
MPa |
1.6 |
1.6 |
|
ΔP at the qs |
MPa |
≤0.10 |
≤0.10 |
|
L |
mm |
165 |
190 |
|
I |
mm |
245 |
290 |
|
H |
mm |
116 |
116 |
|
B |
mm |
100 |
100 |
|
G |
Inch |
G3/4B |
G1B |
|
R |
Inch |
R1/2 |
R3/4 | OVERALL DIMENSIONS PRESSURE LOSS CURVE
 |