
APPLICATION: MEASURING THE TOTAL VOLUME OF COLD POTABLE WATER PASSING THROUGH THE METER(ALSO SUITABLE FOR PURE WATER).
OPERATING CONDITION:
*THE MAX.ADMISSIBLE WATER PRESSURE 1.6MPa
*RESISTING WATER TERPERATURE OF 50℃
SPECIALITY:
* LOW START-UP FLOW-RATE
* INSTALLATION IN ANY POSITION (SUCH AS LEVEL, VERTICAL)
* POSITIVE ROTATING PISTON TYPE, WITH RELIABLE PERFORMANCE
* HIGH ACCURACY
* BRASS BODY
* ON REQUEST,THIS SERIES CAN BE EQUIPPED WITH THE PULSE DEVICE
Maximum permissible error:
Between qt (included) and qs is ±2%;
Between qmin and qt (excluded) is ±5%.
NOTE: The technical data conform to ISO4064 standard, class C.
FLOW-ERROR CURVE

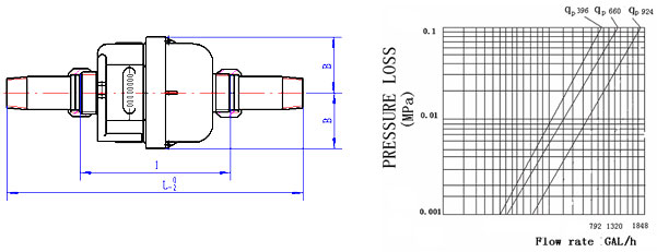
SPECIFICATION AND OVERAL DIMENSIONS
|
Description |
Unit |
Hydraulic data and dimensions |
|
Nominal Size |
Mm(inches) |
DN15( 1/2″) |
DN20( 3/4″) |
DN25 (1″) |
|
Overload flow-rate (qs) |
IMP.GAL/h |
792 |
1320 |
1848 |
|
Permanent flow-rate (qp) |
IMP.GAL/h |
396 |
660 |
924 |
|
Transitional flow-rate (qt) |
IMP.GAL/h |
5.94 |
9.9 |
13.86 |
|
Minimum flow-rate (qmin) |
IMP.GAL/h |
3.96 |
6.6 |
9.24 |
|
Min. Reading |
IMP.Gallons |
0.05 |
0.05 |
0.05 |
|
Max. Reading |
IMP.Gallons |
9999999.9 |
9999999.9 |
9999999.9 |
|
Max. working pressure |
MPa |
1.6 |
1.6 |
1.6 |
|
△P at the qs |
MPa |
≤0.1 |
≤0.1 |
≤0.1 |
|
L |
mm |
195 |
267 |
319 |
|
I |
mm |
115 |
165 |
199 |
|
B |
mm |
43 |
43 |
53 |
|
Weight |
With connections |
Kg |
1.14 |
1.56 |
2.48 |
|
Without connections |
0.97 |
1.3 |
2.05 | OVERALL DIMENSIONS PRESSURE LOSS CURVE
 |