歡迎光臨~連(lián)雲港好色先生官方版水表有限公(gōng)司官方網站(zhàn)            English
服務熱線服務熱線:

0518-82344888

您的(de)位(wèi)置:網站首(shǒu)頁 產品中心 . 小口徑機械(xiè)水表係列

小(xiǎo)口徑機械水表係列(liè)

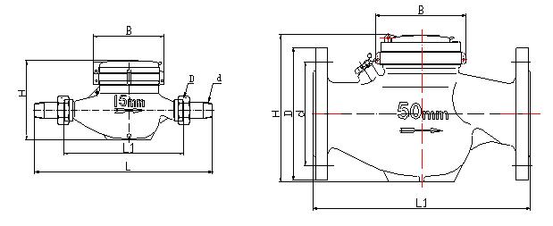
多流束旋翼液封(fēng)式冷水表LXSY-(15~50)E/B

多流束旋翼液封式冷水表是一種(zhǒng)用於測(cè)量冷水流(liú)量的多流束水(shuǐ)表,能測量任何水質包括極其硬(yìng)質的、含垢的或含(hán)有懸浮顆粒的水質,這是因為字輪被(bèi)密封在特殊的液體(tǐ)中,並配有(yǒu)壓力補償裝置(zhì),這樣密封的字輪不會接觸(chù)到流經水表的水(shuǐ),使得讀數永遠清晰易(yì)讀(dú)。
☆ 內部濾網(wǎng),擁有充分的過濾麵積。
☆ 機芯由耐磨、防水、防磁、防垢的塑料材料製造。
☆ 機械傳動,不受外來磁場或(huò)水中鐵屑影響。
☆ 兼有濕式水表和幹(gàn)式水表的優點且克服了這兩種水表自身結(jié)構上(shàng)的缺陷。
工作條件:
☆ 水壓:不大於1.0MPa(10bar)
☆ 水溫:0.1℃~50℃
示值(zhí)誤差:
從分(fèn)界流量(包括分(fèn)界流量)到過載流量為±2%;
從最小流量到(dào)分界流量(不包括(kuò)分界流量)為±5%.

參數尺寸(cùn) SPECIFICATION AND OVERALL DIMENSIONS


外形尺(chǐ)寸 OVERALL DIMENSIONS


                   壓力損失曲線 Pressure loss curve                                                    示值誤(wù)差(chà)限與流量曲線FLOW-ERROR CURVE   


上一條下一條
掃描二維碼關注我(wǒ)們關閉
二維碼
好色先生官方版-好色先生污视频-好色先生黄版本-好色先生tv版下载 好色先生官方版-好色先生污视频-好色先生黄版本-好色先生tv版下载